Part Number
MecS511
Description
This EN ISO 14477 Puncture Test Fixture is for testing resistance strength in flexible packaging materials.

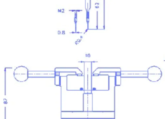
The specimen is clamped in the lower specimen holder, which is connected to the base plate of the test stand via a QC-20 female hole.

An upper 'puncture probe holder' is fitted with a QC-20 bore hole for connection to the load cell. A 0.8mm diameter 'puncture probe' is supplied as standard for connecting to the 'probe holder' via a M2 thread. The probe then punctures the specimen to determine its resistance characteristics.

Images
EN 14477 puncture test kit
EN 14477 puncture resistance test kit
EN 14477 upper puncture test probe
Datasheet
Puncture Resistance Test Jig, QC fitting DS-1125-01-L00 Puncture Resistance Test Jig, QC fitting DS-1125-01-L00

Related Parts

Load Rating
500 N
( 110 lbf )

Fittings

Quick Change
20 mm
Weight
1 kg
Diagram
MecS511 drawing QC-20 MecS511 drawing QC-20
Talk to an expert about force and torque testing accessories, grips and fixtures, full catalogue online on pc, tablet and mobile, by Mecmesin
 

Speak to an expert

Got a question about this accessory? Get in touch and speak to one of our Technical Sales Engineers now...

 

Similar accessories

Online demonstrations and training available from Mecmesin technical sales engineers


Experience our test equipment live or online!

 

Our expert sales engineers offer personalised demonstrations - either online or at your location. Discover the perfect testing solution tailored to your needs

Send us your samples, and we'll showcase how our equipment works for your product testing.

Contact us now to schedule your demo or training session!