Category
Part Number
MecS511
Description
This EN ISO 14477 Puncture Test Fixture is for testing resistance strength in flexible packaging materials.
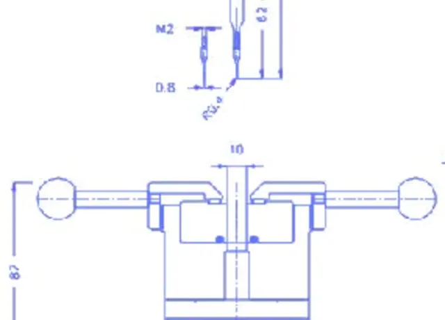
The specimen is clamped in the lower specimen holder, which is connected to the base plate of the test stand via a QC-20 female hole.
An upper 'puncture probe holder' is fitted with a QC-20 bore hole for connection to the load cell. A 0.8mm diameter 'puncture probe' is supplied as standard for connecting to the 'probe holder' via a M2 thread. The probe then punctures the specimen to determine its resistance characteristics.
The specimen is clamped in the lower specimen holder, which is connected to the base plate of the test stand via a QC-20 female hole.
An upper 'puncture probe holder' is fitted with a QC-20 bore hole for connection to the load cell. A 0.8mm diameter 'puncture probe' is supplied as standard for connecting to the 'probe holder' via a M2 thread. The probe then punctures the specimen to determine its resistance characteristics.
Images
Related Parts
Load Rating
500 N
( 110 lbf )
Fittings
| Quick Change |
|---|
| 20 mm |
Weight
1 kg
Speak to an expert
Got a question about this accessory? Get in touch and speak to one of our Technical Sales Engineers now...
Similar accessories
MecS511
Puncture Test Fixture to EN ISO 14477, 500N, QC-20 fitting
Category
Load Rating
500 N
Quick Change
20 mm
