Part Number
Mec154-10
Description
MEC 154-10 (body only - aluminium):

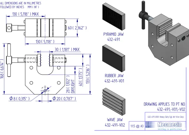
A Single-action Heavy-duty Vice Grip allowing one jaw to be manually set in a position to align a test specimen around the central axis. The other jaw is freely adjustable to mechanically clamp the specimen in place.

Rated to 10 kN in tension with an opening of 0-34mm depending on the jaw types selected (sold separately). Fitted with a QC-20mm hole for connecting to loadcell or base of test stand.

An extensive collection of interchangeable jaws provide excellent gripping characteristics to ensure that a variety of materials and components can be securely held.
Images
Mec154 10 kN vice grip, aluminium, pair (without jaws) QC fitting
Mec154-10 top view
Datasheet
Heavy-duty Single-action Vice Grip, QC fitting DS-1068-02-L00 Heavy-duty Single-action Vice Grip, QC fitting DS-1068-02-L00

Related Parts

Load Rating
10 kN
( 2,200 lbf )

Fittings

Quick Change
20 mm
Weight
2.36 kg
Diagram
432-491(-V01,-V02) Tensile Grip Mec154-10 60mm 432-491(-V01,-V02) Tensile Grip Mec154-10 60mm
Talk to an expert about force and torque testing accessories, grips and fixtures, full catalogue online on pc, tablet and mobile, by Mecmesin
 

Speak to an expert

Got a question about this accessory? Get in touch and speak to one of our Technical Sales Engineers now...

 

Similar accessories

Online demonstrations and training available from Mecmesin technical sales engineers


Experience our test equipment live or online!

 

Our expert sales engineers offer personalised demonstrations - either online or at your location. Discover the perfect testing solution tailored to your needs

Send us your samples, and we'll showcase how our equipment works for your product testing.

Contact us now to schedule your demo or training session!