Category
Part Number
432-676
Description
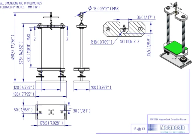
The Cork Extraction Test Rig is used to test the extraction force of corks and other bottle stoppers.
The lower part of the fixtures fits to the base of a test stand. It has a bottle cradle with an anti-slip surface and is easily adjusted to accommodate different bottle heights, e.g. 200 ml to 1.5 litre.
It is used in conjunction with the upper part comprising a corkscrew with a flexible connection for fixing to the test hook of a force gauge or loadcell.
Suitable for testing natural and synthetic corks.
The lower part of the fixtures fits to the base of a test stand. It has a bottle cradle with an anti-slip surface and is easily adjusted to accommodate different bottle heights, e.g. 200 ml to 1.5 litre.
It is used in conjunction with the upper part comprising a corkscrew with a flexible connection for fixing to the test hook of a force gauge or loadcell.
Suitable for testing natural and synthetic corks.
Images
Related Parts
Load Rating
1 kN
( 220 lbf )
Fittings
Speak to an expert
Got a question about this accessory? Get in touch and speak to one of our Technical Sales Engineers now...
Similar accessories
432-678
V-jaw vice clamp, four jaws on screw-action adjuster, QC-20 fitting
Category
Load Rating
500 N
Quick Change
20 mm
Thread 1 - Size
20 mm
